2005 Civic Radio Wiring Diagram
Honda car radio wiring diagrams. When you make use of your finger or perhaps the actual circuit with your eyes, it is easy to mistrace the circuit.

2003 Honda Civic Radio Wiring Diagram Wiring Diagram and
Knowing your 2005 honda civic radio wire colors makes it easy to change your car stereo.

2005 civic radio wiring diagram. Scroll down and find the honda wire guide you need. Our 2005 honda civic si radio wiring guide shows you how to connect car radio wires and helps you when your car radio wires not working. 95 civic radio wiring trusted wiring diagrams •.
A wiring diagram is a type of schematic which uses abstract pictorial symbols to demonstrate all of the interconnections of components inside a system. Or are they diferent?your help would be appreciated! 2005 mercury montego car radio stereo wiring diagram.
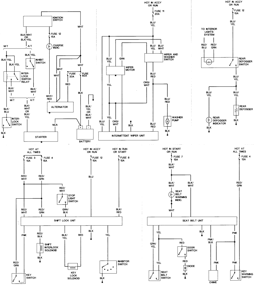
2002 ford f 150 radio wiring in 2021 2005 ford mustang radio ford 2005 honda element stereo wiring diagram wiring diagram is a simplified. 55 out of 100 based on 211 user ratings the honda ca95 electrical wiring diagram can be download for free. Part 2 wiring electrical light panel.
The modified life staff has taken all its mercury car radio wiring diagrams, mercury car. Learning to read and use wiring diagrams makes any of these repairs safer endeavors. World car wallpapers honda civic 2005.
1 trick that we 2 to printing a similar wiring plan off twice. Honda radio stereo wiring diagrams having a honda stereo wiring diagram makes installing a car radio easy. Print the wiring diagram off plus use highlighters to trace the signal.
I have 4 wires from the stock harness that i don't know where they go on my aftermarket deck red blue/white gry/red white/red if someone has the entire diagram and not just those four wires, that would be great but if someone can at least tell me what those are, that would be fine. 2005 mercury montego with audiophile audio car stereo. However, you don't have to fall within that age range to appreciate its many great features.
Knowing your 2005 honda civic si radio wire colors makes it easy to change your car stereo. 2005 honda civic radio wiring diagram from detoxicrecenze.com print the wiring diagram off plus use highlighters to trace the signal. 2005 honda civic radio wiring diagram from static.manonellamano.org print the wiring diagram off plus use highlighters to trace the signal.
It is a very clean transparent background image and its resolution is 1200x630 , please mark the image source when quoting it. Find the honda radio wiring diagram you need to install your car stereo and save time. Honda civic 2005 fuel economy.
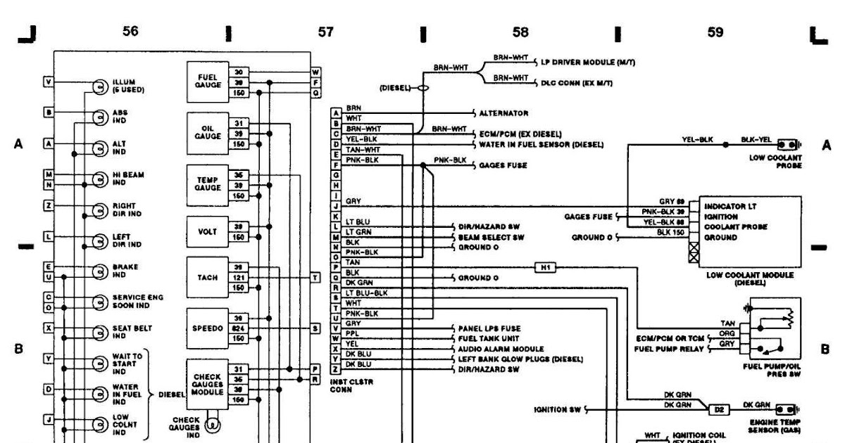
2005 honda civic radio wiring diagram is a completely free picture material, which can be downloaded and shared unlimitedly. 2005 honda element stereo wiring diagram honda element stereo wiring wiring diagram. Honda and acura radio wire harnesses and wire colors:.
We have actually gathered numerous photos, with any luck this photo is useful for you, as well. Diagrams for the following systems are included : 2005 honda civic radio wiring diagram.
2005 honda element stereo wiring. I need a wiring diagram for a 2005 honda civic lx wiring digram for the stock radio. 2005 honda civic radio wiring diagram.
If any one has this info i would greatly appreciate it. Neonmike senior member vip may 11, 2008 #2 No wiring diagram needed go cut a plug from a junk yard and wire it into the cut wires then buy the adapter kit for you car and wire that to the car plug and the radio plug.
2005 honda civic si radio wiring diagram. If your honda civic is overheating, the first step in the process is to check the coolant level. When you make use of your finger or perhaps the actual circuit with your eyes, it is easy to mistrace the circuit.
Our 2005 honda civic radio wiring guide shows you how to connect car radio wires and helps you when your car radio wires not working. And we'll do our best to find you the information you need for your mobile audio installation. 2005 honda element stereo wiring diagram a novice s overview of circuit diagrams.
1 trick that we 2 to printing a similar wiring plan off twice. This video demonstrates the honda civic wiring diagrams and details of the wiring harness. 800 x 600 px, source:
2005 honda civic stereo wiring diagram from www.piloteers.org. When you make use of your finger or perhaps the actual circuit with your eyes, it is easy to mistrace the circuit.

2001 Honda Civic Lx Power Window Wiring Diagram Wiring

01 Civic Wiring Diagram Wiring Diagram
42 2012 Honda Accord Radio Wiring Diagram Wiring Diagram
2005 Nissan Pathfinder Stereo Wiring Harness schematic
2005 Honda Civic Radio Wiring Diagram Pics Wiring Collection
Honda Civic Radio Wiring Diagram
42 2005 Silverado Radio Harness Diagram Wiring Niche Ideas

Collection Of 2001 Honda Accord Car Stereo Radio Wiring
2005 Ford Escape Wiring Harness Diagram schematic and

2005 Honda Civic Stereo Wiring Diagram Collection Wiring

2005 Honda Civic Radio Wiring Diagram Database Wiring
Subaru Justy Radio Wiring Diagram Complete Wiring Schemas
47 2003 Honda Pilot Radio Wiring Diagram Wiring Diagram

05 Honda Odyssey Radio Wiring Diagram Wiring Diagram Schemas

46 Honda Civic Stereo Wiring Diagram Wiring Diagram
[DIAGRAM] 2000 Civic Radio Wiring Diagram FULL Version HD

2005 Honda Accord Audio Wiring Diagram Images Wiring

