2007 Gmc Yukon Headlight Wiring Diagram
Whether you want to know how to change your radio in your 2007 gmc yukon xl or figure our why car radio stopped working, a 2007 gmc yukon xl radio wiring diagram can save you a lot of time. 2006 gmc savana owner’s manual.pdf:

32 2002 Chevy Venture Fuse Box Diagram Wiring Diagram Info
2006 gmc yukon headlight assembly 2008.

2007 gmc yukon headlight wiring diagram. Assortment of 2006 chevy silverado radio wiring diagram. Standard is to be the leading independent supplier to the automotive aftermarket, providing the highest quality products, competitive prices. 2007 gmc w4500 wiring diagram.
I removed the drl fuse and the problem continues About 2007 gmc yukon headlight assembly. Replace headlamps 2007 gmc yukon.
Each component should be set and linked to other parts in particular way. By continuing to use this site you consent to the use of cookies on your device as described in our cookie policy unless you have disabled them. And also it is significant to think about these prior to buying a product or service for the reason that you wouldn’t want to be stuck with it just.
It should be pretty easy, thats why there no directions lift up the hood, now at the headlights there should be 2 rods, lift these rods and the lights should lift out, to access the. 2007 gmc yukon electrical wiring technical service bulletins (tsbs). Sylvania basic headlight and fog light bulb h13.
2007 gmc w4500 wiring diagram from ww2.justanswer.com. Choose top quality brands ac delco, standard motor products. 2006 gmc gmc yukon denali, yukon xl denali owner’s manual.pdf:
2006 gmc sierra owner’s manual.pdf: Don't drive with broken or missing lights and. Print the wiring diagram off plus use highlighters to trace the signal.
When you make use of your finger or perhaps the actual circuit with your eyes, it is easy to mistrace the circuit. Headlight (9) headlight dimmer switch (3) hood (1) hvac system (3) hydraulic brake (2) hydraulic power brake hose, line, piping and fitting (1) ignition switch (2). 30 elegant 2008 chevy impala radio wiring diagram malibu car chevy malibu car amplifier 2011 chevy silverado escalade suburban tahoe yukon 2005 wiring diagram for 2007 gmc sierra 33 trailer a59e sel fuse 2006 1 ton […]
Check if this fits your 2007 gmc yukon. Knowing what every wire does in your 2007 gmc yukon xl radio wire harness takes the guess work out of changing your car radio or fixing your car stereo. 2006 chevrolet silverado wiring diagram.
Also it is important to consider these before buying a product because you wouldn’t want to be bound to it just after you’ve. The only way to shut them off is to remove fuses for them. Lly ecm pinout chevy and gmc duramax diesel forum 2003 2007 chevrolet silverado 2003 2006 gmc yukon yukon xl.
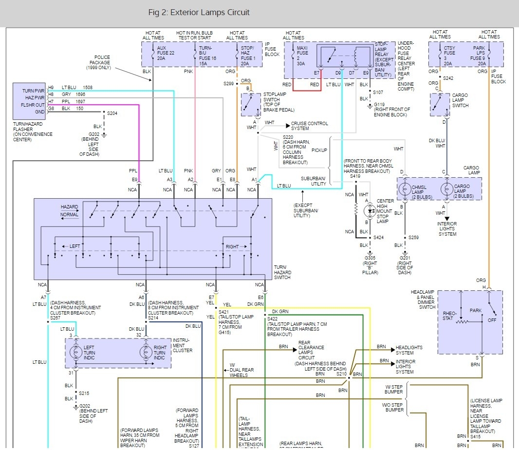
If you run into an electrical problem with your gmc, you may want to take a moment and check a few things out for yourself. The ground circuits for your headlamps actually go through the underhood fuse block, then to the headlamp switch, then through splice pack #sp203 (located under the left side of the dash it is bolted to the left a pillar) , then to ground #g200. This video will show you how to access the complete gmc sierra wiring diagrams and details of the wiring harness.
Buy 2007 gmc yukon headlight assembly online and get free next day delivery on qualified purchases, or pick up your parts at a nearby autozone today. 2006 gmc sierra 1500hd owner’s manual.pdf: Up to 0.4% cash back buy a 2007 gmc yukon headlight wiring harness at discount prices.
You need all your lights to be functional for safe driving, to see the road and be seen by other drivers. Free expert diy tips, support, troubleshooting help & repair advice for all silverado 1500 cars & trucks. In 20 seconds you can become part of the worlds largest and oldest community discussing general motors, chevrolet and gmc branded pickups, crossovers, and.
Gmc yukon xl denali 2007, techsmart™ headlight wiring harness by standard®. 2007 gmc acadia navigation system owner’s manual.pdf: Hello, the system doesn't work like that because the daytime running lights run run by the bcm the same wires are used by the headlight system here is a guide to help you test the wires and the headlight and drl wiring diagrams so you can see how it works.
1 trick that we 2 to printing a similar wiring plan off twice. Any help would be greatly apprieciated. Diagrams for the following systems are inc.
PDF WIRING DIAGRAMS 7387ChevyTrucks
2018 Gmc Sierra Wiring Diagram Wiring Diagram

2005 Chevy Impala Radio Wiring Diagram Free Wiring Diagram

Yukon Wiring Diagram Wiring Diagram Schemas
![]()
How do I remove the headlight assembly in order to replace

45 2000 Gmc Jimmy Radio Wiring Diagram Wiring Niche Ideas
Gmc yukon 1998 headlight won't turn off by he switch. They
Gmc yukon 1998 headlight won't turn off by he switch. They
Wiring Diagram For 2007 Gmc Sierra Classic Complete

Chevy Cobalt Radio Wiring Diagram U Wiring

2003 Ram Wiring Diagram Dome Lights Wiring Diagram
Wiring Diagram PDF 2003 Chevy Silverado Tail Light Wiring
36 Chevy Silverado Headlight Wiring Harness Wiring

55 2007 Chevy Silverado Trailer Wiring Harness Wiring

06 Equinox Wiring Diagram Mardiniagusk

2004ChevroletWiringDiagram RAUR.US
